Ako na to? • 27.03.2024
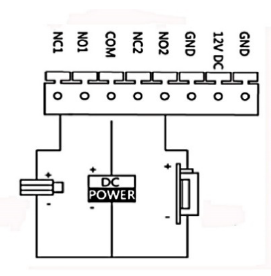
Zapojenie odchodového tlačidla a zámku

Aplikačne zapojenie kontaktov vstupov externej jednotky pre odchodové tlačidlo a zámok.
Odchodové tlačidlo schéma zapojenia:

Reálne zapojenie:

Schéma pre zapojenie elektrického zámku NO1/NO2:

Reálne zapojenie zámku:

Spoločne zapojenie zámku a odchodového tlačidla:

Potrebné nastavenie v iVMS-4200 pre otváranie zámku a odchodového tlačidla:
